Novos Produtos
VÁLVULA MANUAL PARA MOTOR HIDRÁULICO MP-MR-MH CENTRO FECHADO - 50LIT
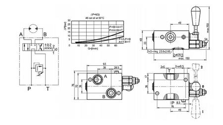
Opis:
A válvula manual é montada diretamente no motor hidráulico e é usada para controlá-lo diretamente no motor hidráulico.
A alavanca da válvula permite a ativação e desativação, bem como a mudança da direção de rotação do motor hidráulico.
Válvula 'CENTRO ABERTO'- Na posição neutra, o motor hidráulico não está girando. Caso contrário, não é acionado hidraulicamente, mas o eixo do motor hidráulico pode girar com sua própria inércia ou a inércia da carga.
É mais comumente usado em aplicações onde queremos que o acionamento pare com a inércia da carga ou ter a possibilidade de auto-rotação do acionamento - motor hidráulico.
Válvula 'CENTRO FECHADO'- Na posição neutra, o motor hidráulico está girando, o que significa que a inércia da carga não pode girá-lo.
É mais comumente usado em aplicações onde queremos que o acionamento pare imediatamente e permaneça parado após o acionamento - motor hidráulico ser desligado.







