Novos Produtos
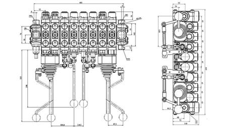
VÁLVULA HIDRÁULICA HIAB 8XPC70 + 2X JOYSTICK EURO 3 POSIÇÕES
Descrição geral:
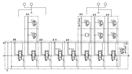
A válvula hidráulica manual ou mecânica РC70 é destinada à distribuição e controle do fluxo de trabalho entre a bomba hidráulica e os cilindros hidráulicos.
A válvula hidráulica é utilizada para reboques florestais – (HIAB).
Composta em bloco de 8 segmentos.
Funcionamento:
Todas as válvulas hidráulicas são equipadas com uma válvula de segurança. Na posição neutra (alavanca no meio), o óleo circula pela válvula. Ao mover a alavanca para um lado ou outro, a válvula hidráulica provoca o movimento do cilindro ou a rotação do hidromotor em uma ou outra direção. Ao soltar a alavanca, ela retorna automaticamente à posição neutra, o hidromotor ou cilindro para na posição atual, e o óleo volta a circular pela válvula. É possível usar um elemento chamado 'closed center', que altera a válvula para que, na posição neutra, o óleo não circule pela válvula ou essa válvula não seja mais fluida. Ao usar ou conectar outras válvulas, é necessário usar o componente 'carry over', que permite o fornecimento de óleo para outras válvulas.
Nas válvulas com eixos para função flutuante, isso permite que o cilindro tenha fluxo livre de óleo, o que significa que o cilindro se move livremente (ou seja, a lâmina de neve se adapta ao terreno).
Válvulas com eixos para cilindro unidirecional são destinadas a cilindros unidirecionais.
Construção:
РC70 é uma válvula de distribuição monobloco. Fabricada em ferro fundido EN-GJL300. Os eixos são feitos de aço carbono e são endurecidos com cromo.
Conexões:
O eixo é fixado com dois parafusos M10.











