Novos Produtos
VÁLVULA HIDRÁULICA 4XZ80 + 2X JOYSTICK
Descrição geral:
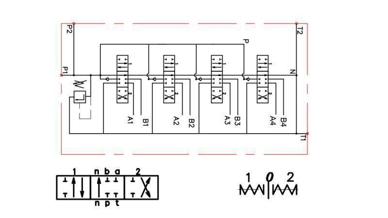
A válvula hidráulica manual ou mecânica Р80 é destinada à distribuição e controle do fluxo de trabalho entre a bomba hidráulica e os consumidores (cilindros, motores hidráulicos…).
As válvulas hidráulicas são utilizadas para diversos fins na agricultura, indústria, construção, etc. para controlar:
- cilindros de ação simples
- cilindros de ação dupla
- motores hidráulicos
- funções flutuantes (para arado)
- joysticks (cima-baixo, esquerda-direita)
Eles são montados em um bloco de 1 a 6 alavancas.
Operação:
Todas as válvulas hidráulicas são equipadas com uma válvula de segurança. Na posição neutra (alavanca no meio), o óleo circula pela válvula. Quando a alavanca é deslocada para um lado ou para o outro, a válvula hidráulica provoca o movimento do cilindro ou a rotação do motor hidráulico em uma direção ou outra. Após soltar a alavanca, ela retorna automaticamente à posição neutra, o motor hidráulico ou cilindro para na posição atual, e o óleo circula novamente pela válvula. É possível usar um elemento chamado 'centro fechado', que altera a válvula de modo que na posição neutra, o óleo não circule pela válvula ou tal válvula não flua mais. Ao usar ou conectar outras válvulas, é necessário usar o elemento 'carry over', que permite o fornecimento de óleo para outras válvulas.
Em válvulas com eixos para função flutuante, permite o fluxo livre de óleo do cilindro, o que consequentemente significa que o cilindro se move livremente (ou o arado de neve se adapta ao terreno).
Válvulas com eixos para cilindros de ação simples são destinadas a cilindros de ação simples.
Construção:
Р80 é uma válvula de distribuição monobloco. É feita de ferro fundido EN-GJL300. Os eixos são feitos de aço carbono e são cromados duro.
Conexões:
O eixo é fixado com dois parafusos M8.










