Novos Produtos
VÁLVULA DE BLOQUEIO VBPDE 3/8 - 35LIT
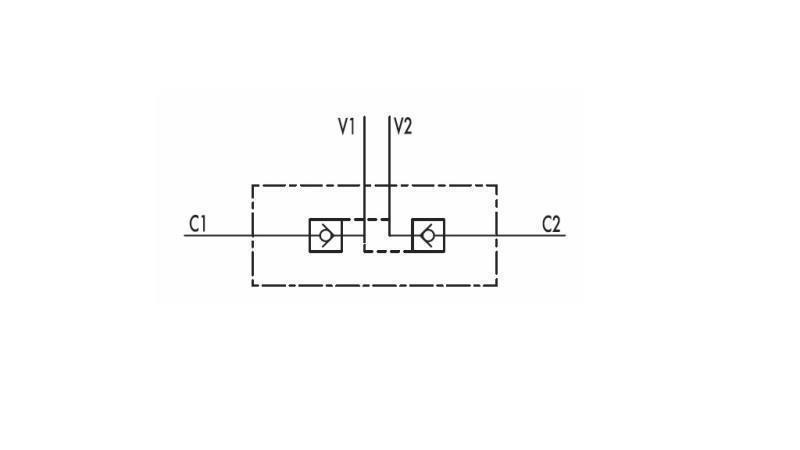
Válvula de Bloqueio:
Serve para segurança (em caso de dano na mangueira hidráulica, o cilindro permanece na mesma posição). A válvula de bloqueio também garante que as mangueiras não estejam sob pressão, de modo que diferentes forças no cilindro não sobrecarreguem a válvula hidráulica ou o sistema hidráulico.
Uso:
As válvulas de bloqueio são usadas para bloquear o cilindro em ambas as direções de operação. O fluxo é primeiro liberado em uma direção e bloqueado na outra direção até que a pressão de controle seja aplicada na outra direção. A função também funciona ao contrário na outra direção. As válvulas de bloqueio são fáceis de montar em cilindros hidráulicos existentes.
Material:
Ferro - galvanizado
Interior da válvula feito de partes de metal duro
Vedações padrão BUNA N
Conexão:
Conecte a linha de pressão hidráulica a V1 e V1. Conecte C1 e C2 ao atuador (cilindro hidráulico).








