Novos Produtos
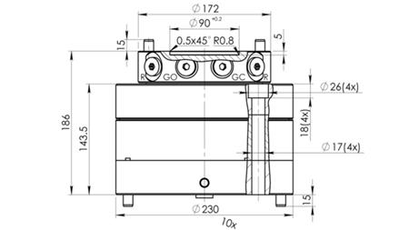
ROTADOR HIDRÁULICO CPR5-01 10000/5000 KG
Descrição:
'ROTADOR HIDRÁULICO CPR5-01 10000/5000 KG'
O rotador hidráulico para garras florestais é um componente chave utilizado para aumentar a eficiência e flexibilidade no manuseio de cargas pesadas, como troncos, galhos e outros materiais. Este rotador é tipicamente projetado para se conectar à extremidade de um braço telescópico ou ao topo da garra, permitindo rotação independente e manipulação e posicionamento precisos das cargas.
Operação hidráulica: O rotador é acionado por hidráulica, permitindo rotação fácil e controlada da garra. O sistema hidráulico permite controle preciso sobre a velocidade e a direção da rotação.
Rotação ilimitada: Uma das principais características do rotador de garra é sua rotação completa de 360 graus. Isso significa que ele pode girar em qualquer direção, facilitando a elevação, posicionamento e descarregamento de materiais em várias posições.
Alta capacidade de carga estática e dinâmica: Os rotadores são projetados para suportar cargas pesadas, como grandes troncos ou múltiplos troncos ao mesmo tempo.
Construção robusta: Dadas as exigentes condições operacionais dos equipamentos florestais, o design do rotador é muito robusto para máxima durabilidade.
Propósito: O rotador hidráulico para garras é um componente chave do equipamento florestal moderno que melhora a eficiência, segurança e flexibilidade na colheita e manuseio de madeira. Ao selecionar um rotador hidráulico, é importante considerar as necessidades específicas da operação e garantir a compatibilidade com o equipamento existente.









