Novos Produtos
CAIXA DE CÂMBIO PMRV-75 PARA MOTOR ELÉTRICO MS90 (1.1-1.5KW) RAZÃO 20:1
Descrição adicional:
| motor elétrico | caixa de câmbio | torque de saída M2 [Nm] | fator de segurança - SF |
|---|---|---|---|
| 1.1kW (MS90) | RV-75 | 122 | 1.6 |
| 1.5kW(MS90) | 166 | 1.2 |
Descrição:
As caixas de câmbio PMRV são utilizadas em combinação com motores elétricos.
A caixa de câmbio reduz as rotações do motor elétrico para o valor com o qual queremos operar. As caixas de câmbio têm diferentes razões 7.5:1 - 10:1 - 20:1 - 40:1.
Ao instalar a caixa de câmbio, sempre assegure-se de que:
- os dados na placa de identificação correspondem aos dados do item solicitado
- o alojamento e os eixos estão limpos e sem danos
- a superfície à qual a caixa de câmbio está fixada é plana e forte o suficiente
- a caixa de câmbio e o eixo do motor elétrico se encaixam bem
- se houver possibilidade de vibrações ou travamentos, um limitador de torque deve ser instalado
- as partes rotativas estão cobertas com capas plásticas
- o dispositivo utilizado ao ar livre deve estar adequadamente protegido contra intempéries
- as condições de operação não causam corrosão (a menos que previamente acordado e a caixa de câmbio e o motor elétrico estejam devidamente preparados)
- as engrenagens, engrenagens de eixo, eixos de entrada/saída estão devidamente fixados para evitar cargas radiais ou axiais que não excedam o limite máximo permitido
- todas as uniões estão revestidas com material anticorrosivo para evitar oxidação ao contato
- todos os parafusos de fixação devem estar bem apertados
Todos os cálculos são baseados em motores elétricos com 1400 rotações. Se você estiver usando um motor elétrico com uma velocidade diferente de 1400 rotações por minuto, divida as rotações de entrada pela razão da caixa de câmbio para obter as rotações de saída.
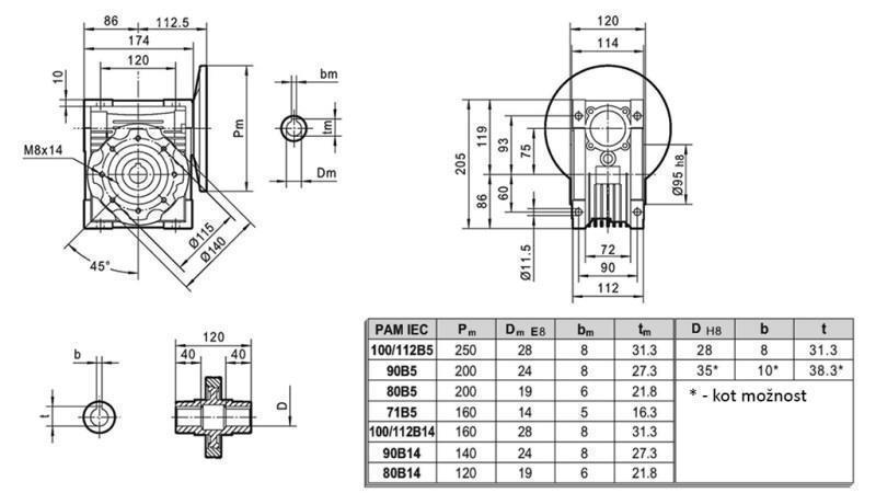
Mais dados técnicos podem ser encontrados no anexo 'DIMENSÕES - FICHA TÉCNICA'.







