Nya produkter
PROPORTIONELL STYRVENTIL FÖR TRAKTORFRONTLASTARE - LOAD SENSING LVM92 EHP
| Teknisk information | |
|
Leverantör: |
Turkiet |
|
Retur eller byte: |
14 dagar |
|
Garanti: |
6 månader |
|
Typ: |
LOAD SENSING |
|
Arbetstryck: |
250 bar |
|
Nominal flöde: |
90 lit/min |
|
Anslutningsgänga: |
1/2" |
|
Antal sektioner: |
2 |
Beskrivning
LVM92-EHP är en monoblockventil utformad för lastare, som erbjuder utmärkta proportionella egenskaper och enkel installation, med flöden upp till 90 l/min och arbetstryck upp till 250 bar.
Ventilen ger fullständigt elektro-proportionell styrning, inklusive flottörfunktionen, oberoende av maskinens belastning och driftförhållanden.
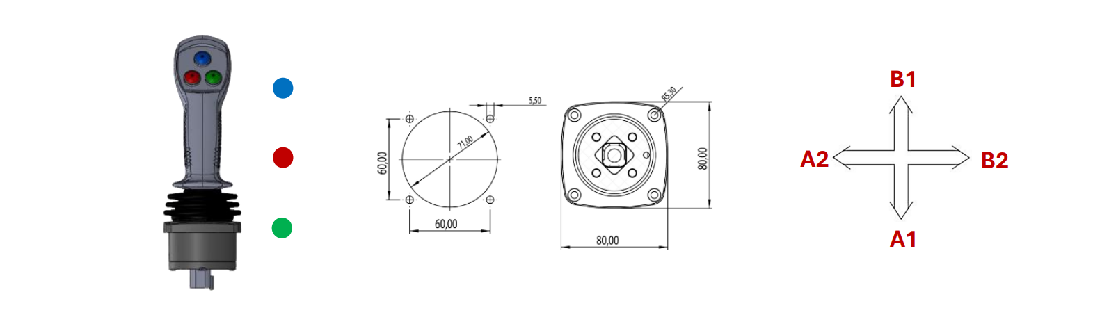
Setet inkluderar ventilen, en proportionell styrjoystick och elektrisk kabeldragning.
Load Sensing-funktionen ger ännu mer exakt proportionell styrning och förbättrad systemeffektivitet.
Användning

För korrekt systemfunktion, följ noga alla stegen nedan:
- Gör anslutningen som visas ovan.
- Säkerställ att hydraulackumulatorn är korrekt ansluten.
- Kontrollera att inloppstrycket inte överstiger 250 bar.
- Säkerställ att nominellt inloppsflöde är 90 l/min.
- Kontrollera att anslutningarna på portarna B1, A1, A2 och B2 är korrekt inkopplade.
- Säkerställ att avlopps- eller läckagelinjen är korrekt ansluten.
- Kontrollera att T (tank) och P (tryck) ledningar är korrekt anslutna och fungerar.



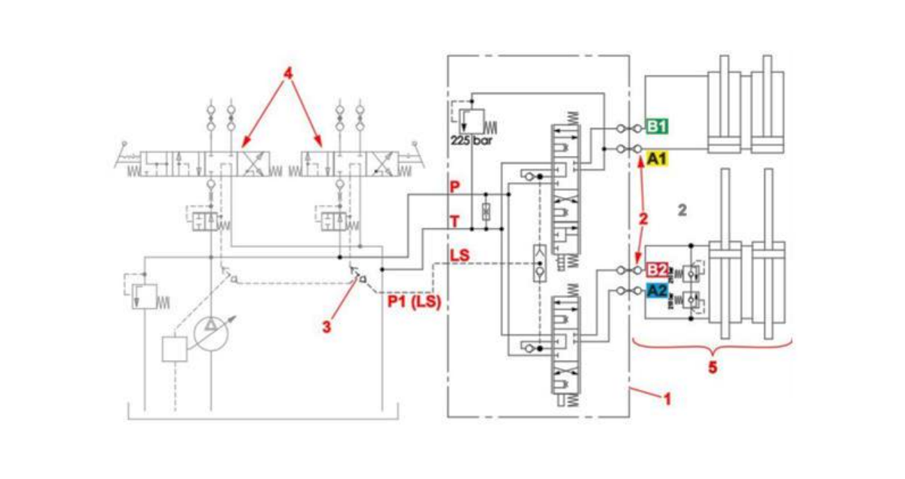
Diagrammet visar ett hydrauliskt system med LOAD SENSING:
1. Proportionell ventil (LVM92 EHP) på höger sida av fästanordningen.
2. Gränssnitt för traktorlastaren.
3. Extra shuttleventil för Load Sensing.
4. Hydraulventiler redan installerade på traktorn kan användas för andra konsumenter.
5. Traktorlastare.
Tre hydraulledningar (P, T, P1) förbinder LOAD SENSING proportionell ventil med traktorens hydraulsystem:
- P – tryckledning
- T – returledning (tank)
- P1 – Load Sensing (LS)

Anslut ventilen som visas ovan:
- Kontrollera att systemspänningen är 12 V.
- Säkerställ att strömkabeln är korrekt ansluten.
- Systemet måste inkludera en kedjekabel och ett 120 ohms motstånd.
- Efter anslutning av joysticken, kontrollera att ACAS LED-lamporna lyser grönt.
- Kontrollera att alla kablar är ordentligt och korrekt anslutna.

- BLÅ knapp: 6/2 riktningsventil (tryckknapp)
- RÖD knapp: flottörfunktion (låsknapp)
- GRÖN knapp: långsam/snabb (låsknapp)
Flottörfunktion: Flytta joysticken i B1-riktning (sänkning). Medan joysticken är i B1-läge, tryck på FLOAT-knappen för att aktivera flottörläge. Varning: Utför inte denna åtgärd när traktorlastaren är högt upplyft.









