Nye artikler
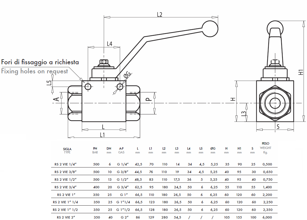
HYDRAULISK STOPPEVENTIL RS2 3/4 - 400BAR - 100 LIT
Kode:
10341
OEM:
9990000002764
Skattesats
22 %
Pris uten MVA:
398,44 NOK
Pris med MVA:
486,10 NOK
Ref:
19
Bruk:
Ventilen brukes til å åpne eller lukke oljeflyten i hydrauliske systemer, selv under fullt trykk.
Materiale:
Hus: metall, galvanisert
Tetning: Buna N standard og POM tetninger
Tilkobling:
Koble 'A' og 'P' i oljekretsen der du ønsker å blokkere eller åpne oljeflyten. Oljeflyten avbrytes når spaken er i 90 grader til ventilen og fri når spaken er parallell med ventilen og oljelinjen.
Leverandør:
Italia
Maksimalt trykk:
400 bar
Retur eller bytte:
14 dager
Produktvekt:
1.400 kg
Garanti:
6 måneder






