Nye artikler
HYDRAULISK ENHET -RHA- 40LIT FOR STALLBØRSTE
Kode:
20575
OEM:
9990000100576
Skattesats
22 %
Pris uten MVA:
8.491,41 NOK
Pris med MVA:
10.359,53 NOK
Ref:
0
Beskrivelse:
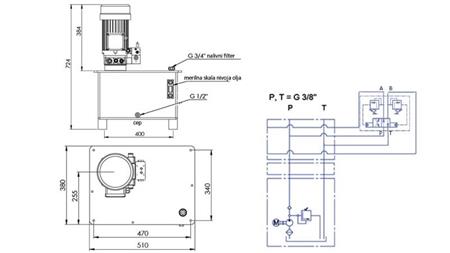
Den hydrauliske enheten for børsten er en frittstående enhet som genererer hydraulisk trykk ved hjelp av en elektrisk motor, for å drive stalltransportøren.
Motoreffekt:
4kW
pumpeflow:
8 cc
aggregatflow:
12 liter/min
volum av tank:
40 liter
maks. arbeidstrykk:
120 bar
ventil:
RHA - kort ventil
Retur eller bytte:
ikke mulig
Omdreiniger:
1500 rpm
spenning:
380V






