Nye artikler
BLOCK VENTIL VBPDE 1/2 - 50LIT
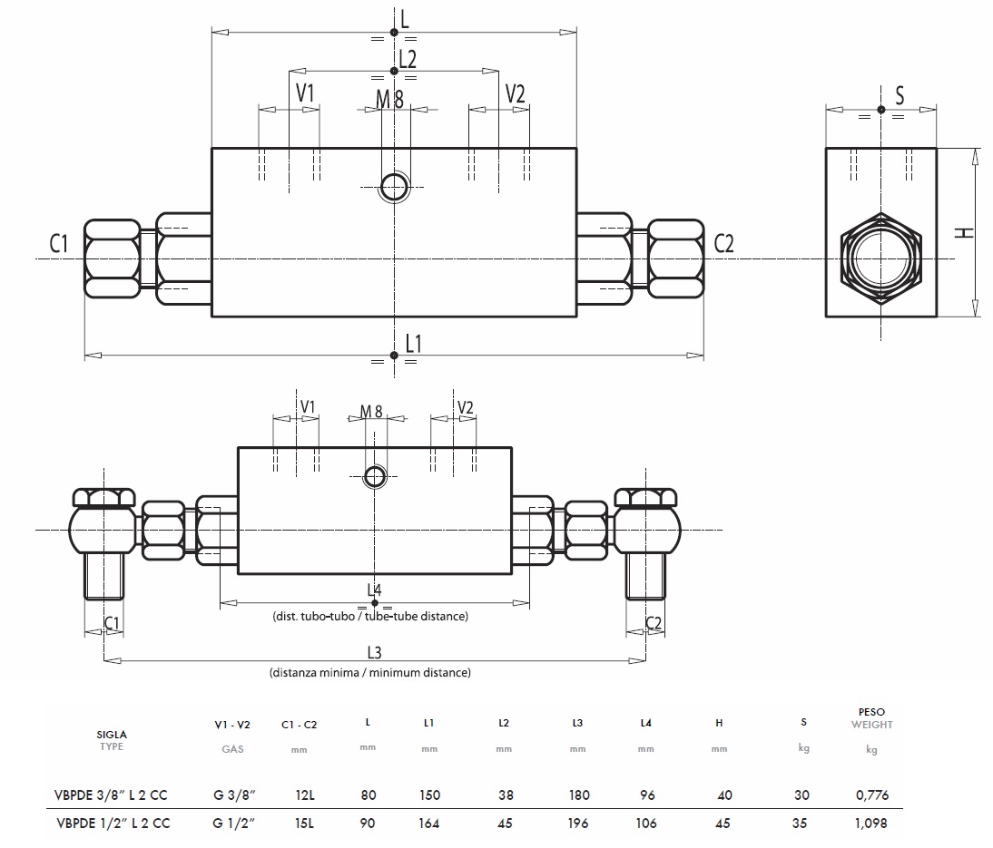
Blokker ventil:
Den tjener til sikkerhet (i tilfelle av hydraulisk slange skade, forblir sylinderen i samme posisjon). Blokker ventilen tjener også til å sikre at slangene ikke er under trykk, og dermed forhindre at ulike krefter på sylinderen belaster den hydrauliske ventilen eller hydrauliske systemet.
Bruk:
Blokker ventiler brukes til å blokkere sylinderen i begge retninger av drift. Strømmen slippes først i én retning og blokkeres i den andre retningen til kontrolltrykket påføres i den andre retningen. Funksjonen fungerer i revers i den andre retningen også. Blokker ventiler er enkle å installere på eksisterende hydrauliske sylindere.
Materiale:
Jern - galvanisert
Innvendig av ventilen laget av solide deler
BUNA N standard tetninger
Tilkobling:
Koble hydraulisk trykklinje til V1 og V1. Koble C1 og C2 til aktuatoren (hydraulisk sylinder).








