Jauni produkti
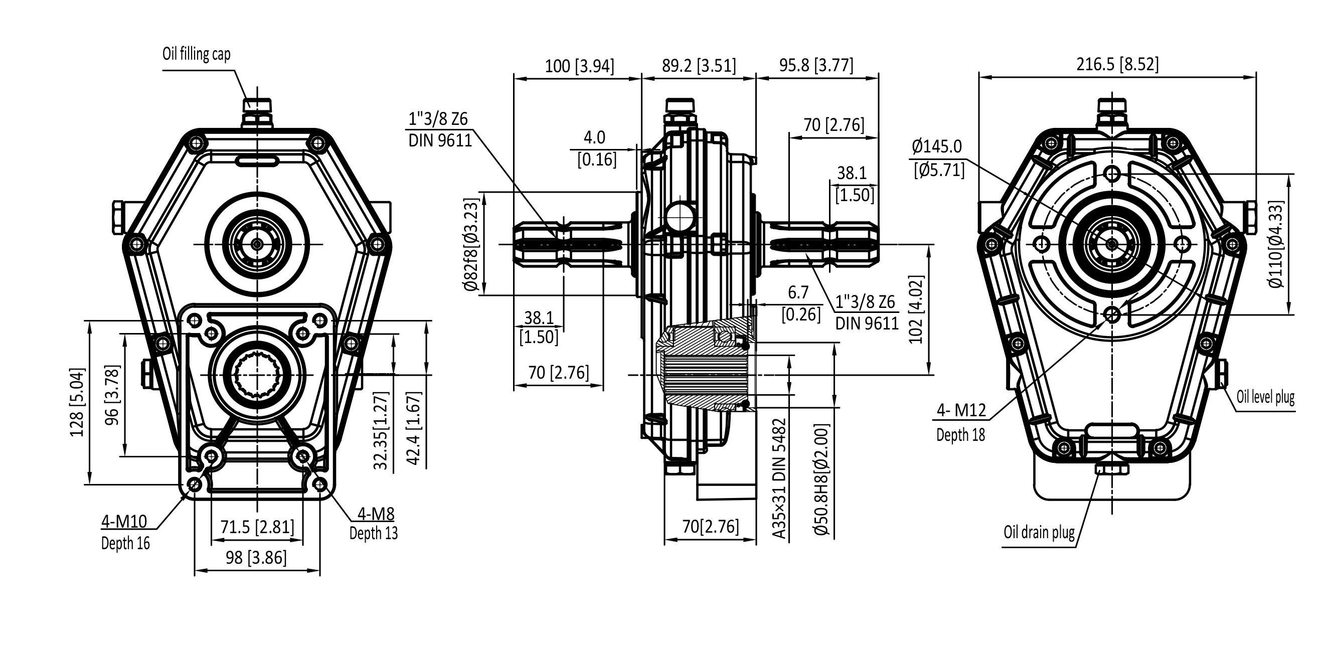
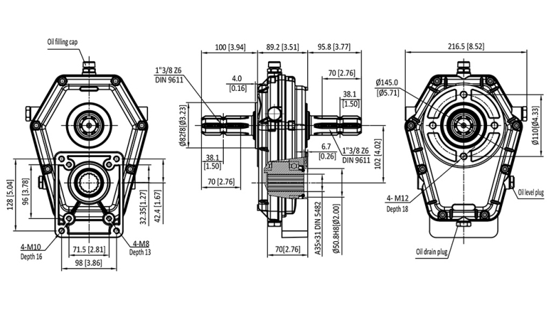
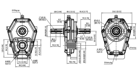
MULTIPLIKATORS GR.3 - 1:3 - VĪRIŠĶAIS SAVIENOJUMS (IEEJA) / VĪRIŠĶAIS SAVIENOJUMS (IZEJA)
| Tehniskā informācija | |
| Piegādātājs: | Ķīna |
| Atgriešana vai apmaiņa: | 14 dienas |
| Garantija: | 6 mēneši |
| Pārnesuma attiecība: | 1:3 |
| Hidrauliskajiem sūkņiem: | GR. 3 |
| Savienojums: | PTO vārpsta abās pusēs - 1" 3/8 – 6 rievu (vīrietis) |
| Ieejas ātrums: | 540 apgr./min. |
| Ieejas griezes moments: | 49 daNm |
| Izejas ātrums: | 1620 apgr./min. (maks. 3000 apgr./min.) |
| Izejas griezes moments: | 16 daNm |
| Slodze: | līdz 20 kW |
| Produkta svars: | 8,3 kg |
| Pārnesuma eļļa: | SAE 90 eļļa |
IZMĒRI

Lietošanas instrukcija
1. Paredzētais lietojums
Pārnesumkārba ir mehāniska transmisija, kas palielina izejas vārpstas rotācijas ātrumu un ļauj darbināt hidraulisko pārnesumkārbas sūkni, izmantojot traktora PTO vārpstu.
Tā tiek izmantota piedziņai:
- hidrauliskajām jaudas vienībām,
- meža vinčām,
- koku skaldītājiem,
- citai hidrauliskajai iekārtai.
2. Uzstādīšanas pozīcija
Pārnesumkārba jākā»starst pareizā darba pozīcijā, lai nodrošinātu pārnesumu pareizu ieeļļošanu. Ieteicama horizontāla uzstādīšana, tāpēc sūknim un pārnesumkārbai jābūt horizontāli saskaņotām.
Svarīgi:
- pārnesumkārba vienmēr jāuzstāda tā, lai korpusa iekšpusē esošā eļļa būtu saskarē ar pārnesumu,
- ilgstoša darbība apgrieztā stāvoklī nav atļauta,
- pārnesumkārba jāatbalsta mehāniski (tai nedrīkst karāties tikai uz PTO vārpstas).
3. Rotācijas virziens
Pirms uzstādīšanas pārbaudiet PTO vārpstas rotācijas virzienu un nepieciešamo hidrauliskā sūkņa rotācijas virzienu.
Nepareizs rotācijas virziens var izraisīt sūkņa bojājumus, blīvējuma noplūdi un sliktu eļļas plūsmu.
4. Eļļas ieeļļošana
Pārnesumkārba korpusā jāuztur nepārtraukta eļļošana, lai nodrošinātu pārnesumu pareizu darbību. Ieteicamā eļļa ir pārnesumu eļļa SAE 90.
Pārnesumkārba jāaizpilda ar eļļu līdz kontrolpunkta līmenim.
Pirms pirmās lietošanas noņemiet aizpildes aizbāzni, piepildiet vienību ar eļļu līdz atzīmei un aizveriet aizbāzni.
Pirms katras lietošanas pārbaudiet eļļas līmeni. Pirmo eļļas maiņu ieteicams veikt pēc 50 darba stundām, pēc tam ik pēc 1500 darba stundām vai reizi gadā.
5. Darba temperatūra
Pārnesumkārbas korpusa normālā darba temperatūra ir no 50 līdz 80°C. Ja tā pārsniedz 90°C, pārbaudiet eļļas līmeni, slodzi un saskaņojumu.
6. Apkope un iespējamās problēmas
| Problēma | Iespējamais cēlonis | Risinājums |
| Pārkaršana | Nepietiekams eļļas līmenis | Pārbaudīt eļļas līmeni |
| Troksnis | Nodilumu guļņi | Veikt apkopi |
| Vibrācijas | Nepareiza saskaņošana | Pārbaudīt uzstādīšanu |
| Eļļas noplūde | Bojāts blīvējums | Aizvietot blīvējumu |









