Jauni produkti
PĀRBAUDES VĀRSTS CETOP 3 (B)
Produkta kods:
13110
OEM:
9990000087624
Nodokļu likme
22 %
Cena bez PVN:
49,18 EUR
Cena ar PVN:
60,00 EUR
Ref:
3
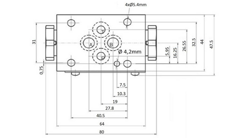
Apraksts:
Pārbaudes vārsts Cetop 3 ir uzstādīts starp bāzi un vārstu. Tas tiek izmantots, lai novērstu eļļas plūsmu pretējā virzienā.
(AinB): pārbaudes vārsts pie savienojuma 'A' un pie savienojuma 'B'.
(A): pārbaudes vārsts pie savienojuma 'A'.
(B): pārbaudes vārsts pie savienojuma 'B'.
Piegādātājs:
Spānija
Atvēršana:
0.5 bārs
Atgriešana vai apmaiņa:
14 dienas
produkta svars:
0.9 kg
Garantija:
6 mēneši
Max. plūsma:
60 l/min
max. spiediens:
315 bar







