Jauni produkti
LEŅĢIS REDUKTORS PTO-R11S 1:2 (48HP-35KW)
Produkta kods:
11136
OEM:
9990000010530
Nodokļu likme
22 %
Cena bez PVN:
430,33 EUR
Cena ar PVN:
525,00 EUR
Ref:
3
Atgriešana vai apmaiņa:
14 dienas
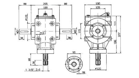
reducētāja griešanās:
pa kreisi/pa labi (atkarībā no reduktora uzstādīšanas)
Slodze:
48 ZS (35 kW)
izejošā vārpsta:
vārpsta 40 mm
reducētāja veids:
PTO (leņķa transmisija)
eļļa:
eļļa SAE 90 0.8 litri jāielej reduktorā.
ievades vārpsta:
kardāns (1”3/8 – 6 zobi)


.jpg)
.jpg)
.jpg)
.jpg)
.jpg)

