Jauni produkti
HIDRAULISKAIS MOTORS MR 32 ECO (ALSG2-L-32)
| Tehniskie dati | |
| Piegādātājs: | Ķīna |
| Atgriešana vai apmaiņa: | 14 dienas |
| Garantija: | 6 mēneši |
| Vārpstas diametrs: | 25 mm |
| Eļļas plūsma: | pastāvīga plūsma 40 L/min, intermitējošs 45 L/min |
| Pieslēguma vītne: | 1/2" |
| Temperatūras diapazons: | no -40 °C līdz 140 °C |
| Griezes moments: | pastāvīgs griezes moments 3,6 daNm, intermitējošs 4,3 daNm |
| Apgriezieni: | pastāvīgi apgriezieni 1104 rpm, intermitējošs 1173 rpm |
| Spiediena kritums: | pastāvīgs spiediens 100 bar, intermitējošs 140 bar |
| Jauda: | pastāvīga jauda 8,5 kW, intermitējošs 10,5 kW |
| cm³/apgriezienā: | 32,6 |
| Svars: | 6,4 kg |
APRAKSTS – HIDROMOTORI MR ECO
MR tipa hidromotori ir kompakti, izturīgi un uzticami ar orbitālo konstrukciju. Pateicoties vienkāršai uzbūvei un augstai efektivitātei, tie ir piemēroti plašam pielietojuma klāstam.
ECO versija saglabā standarta kvalitāti un uzticamību, vienlaikus esot pieejamāka, jo uzticami ražotāji to izgatavo bez papildu zīmola uzcenojuma.
Tos raksturo:
- liels tilpums pie zemiem apgriezieniem,
- vienmērīga un klusa darbība,
- ilgs kalpošanas laiks, pateicoties augstas kvalitātes materiāliem un blīvējumiem,
- iespēja darboties abos rotācijas virzienos,
- zems eļļas patēriņš attiecībā pret izejas jaudu,
- ECO versija: tāda pati kvalitāte un veiktspēja par zemāku cenu.
MR hidromotori galvenokārt tiek izmantoti lauksaimniecības, mežsaimniecības un celtniecības tehnikā, kā arī rūpniecībā, kur nepieciešama uzticama un efektīva hidrauliskās enerģijas pārvēršana mehāniskā kustībā – ar vēl lielāku uzsvaru uz ilgtspējīgu enerģijas izmantošanu.

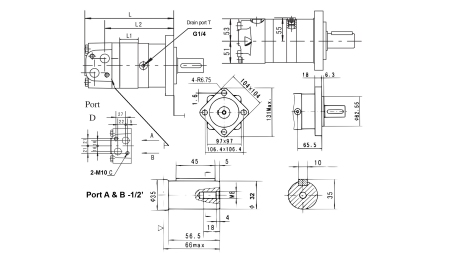
|
L |
L1 |
|
|
(mm) |
(mm) |
|
|
MR 50 ECO |
140 |
10 |
|
MR 80 ECO |
146 |
16 |
|
MR 100 ECO |
150 |
20 |
|
MR 125 ECO |
155 |
25 |
|
MR 160 ECO |
161,5 |
30,5 |
|
MR 200 ECO |
170 |
38,1 |
|
MR 250 ECO |
180 |
50 |
|
MR 315 ECO |
192 |
62 |
|
MR 400 ECO |
204 |
74 |


%20-1.png)







