Jauni produkti
HIDRAULISKAIS VĀRSTS HIAB 8XPC70 + 2X JOYSTICK - ELEKTRISKĀ KONTROLE 12V
Produkta kods:
12510
OEM:
9990000073139
Nodokļu likme
22 %
Cena bez PVN:
967,21 EUR
Cena ar PVN:
1.180,00 EUR
Ref:
11
| Tehniskā informācija | |
| Piegādātājs: | Bulgārija |
| Atgriešana vai apmaiņa: | 14 dienas |
| Garantija: | 6 mēneši |
| Nominālais eļļas plūsmas daudzums: | 70 l/min |
| Maks. eļļas plūsma: | 80 l/min |
| Darbības temperatūras diapazons: | no -20 °C līdz +60 °C |
| Savienojuma vītne: | A, B un P ports 1/2", T ports - 3/4" |
| Maks. spiediens: | P ports – 250 bar, T ports - 50 bar, A un B ports – 300 bar |
| Serdes: |
12/24 V - 60 W (ieslēgts/izslēgts) |
| Svars: |
32,3 kg |
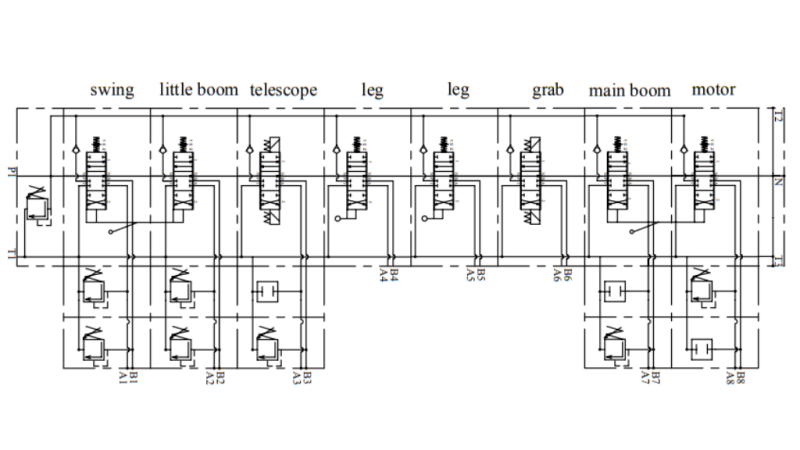
Apraksts
PC70 ir savietojams (daļējs) vārsts, kas paredzēts lietošanai meža piekabēs ar celtni (HIAB). Tas ļauj gan mehānisku, gan elektronisku vadību. Hidrauliskais vārsts sastāv no astoņām daļām.











