Jauni produkti
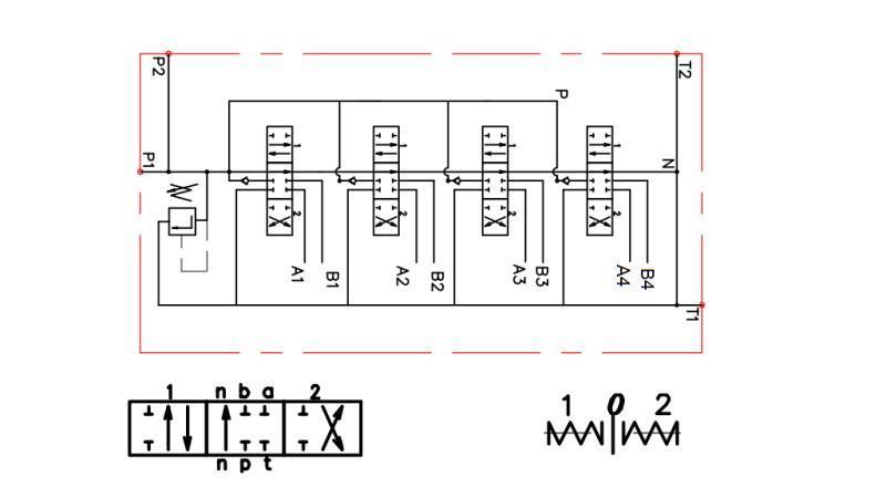
MANUĀLS HIDRAULISKAIS VĀRSTS SEKCIJU 4xPC70
Produkta kods:
12159
OEM:
9990000065530
Nodokļu likme
22 %
Cena bez PVN:
278,69 EUR
Cena ar PVN:
340,00 EUR
Ref:
4
Piegādātājs:
Bulgārija
maksimālais spiediena savienojums "T":
50 bāri
Atgriešana vai apmaiņa:
14 dienas
produkta svars:
16.75 kg
nosacītā plūsma:
70 lit/min
Garantija:
6 mēneši
darba temperatūra:
-40 līdz + 60°C
maksimālais spiediena savienojums "P":
250 bāri
eļļas darba temperatūra:
-15 līdz +80°C
ražotāja iestatīts drošības vārsts:
180 bāri
drošības vārsta regulēšanas diapazons:
50-250 bāri
maksimālais spiediena savienojums "A" un "B":
300 bar







