Jauni produkti
HIDRAULISKĀS PROPORCIONĀLĀS TRAKTORA BREMŽU VĀRSTS - EĻĻAS SISTĒMA
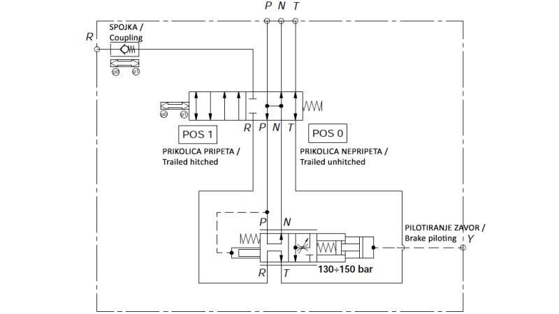
Apraksts:
Hidrauliskā proporcionālā traktora bremžu vārsts ir komponents, caur kuru mēs varam sinhroni bremzēt piekabi ar traktoru. Vārsts ir uzstādīts uz traktora, kas savienojas ar hidrauliku un virziena vārstiem un esošo bremžu sistēmu. Bremžu vārsts tiek kontrolēts tieši no traktora bremžu spiediena. Bez spiediena hidrauliskajā sistēmā Y (traktora bremžu sistēma), R ir savienots ar T (tvertne) un P ir savienots ar N (plūsmas pārsniegums).
Kad plūsma Y palielinās, plūsmas spēks aktivizē atgriešanās atsperi, kas aizver savienojumu starp R un T un izveido savienojumu starp R un P. Ja nepieciešams, plūsma starp P un N tiek samazināta, lai radītu spiedienu R.
Slodzes sensoru vārsts (LS) ir uzstādīts uz R. Maksimālais spiediens bremžu sistēmā ir 130 - 150 bāri.
Pirmajā bremzēšanas fāzē vārsts var novirzīt visu plūsmu no sūkņa uz piekabes bremzēm, tādējādi patērētājs savienojumā N var būt pagaidu bez eļļas.
Piezīme par uzstādīšanu:
Proporcionālais vārsts ir drošības elements, kas prasa maksimālu uzmanību vārsta pārbaudē un apkalpošanā. Neuzstādiet vārstu pirms citiem drošības komponentiem (piemēram, stūres).
Parasti vārsts tiek uzstādīts starp sūkni (ar pastāvīgu plūsmu vai slodzes sensoru vārstu) un kontroles vārstu, kurā šajā hidrauliskajā ķēdē nav citu drošības komponentu.










