Nové položky
LIATINOVÝ HRIAD OKRÚHLEJ PÍLY 400MM (PRAVÝ ZÁVIT)
Kód
14557
OEM
9990000172665
Sadzba dane
22 %
Cena bez DPH:
102,46 EUR
Cena s DPH
125,00 EUR
Ref:
5
|
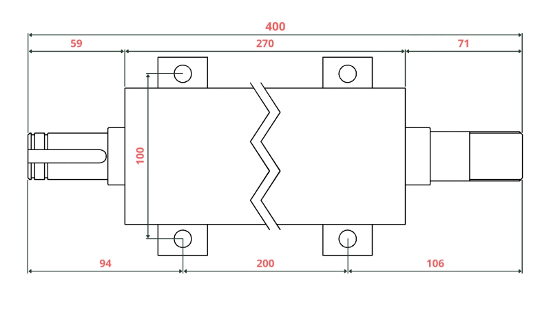
Technické údaje |
|
| Priemer remenice: | 90 mm |
| Dodávateľ: | Poľsko |
| Vrátenie alebo výmena: | 14 dní |
| Veľkosť remeňa: | 2 × 17 mm |
| Záruka: | 6 mesiacov |
| Závit: | M30 × 2 Pravý |
| Materiál: | Liatina, hriadeľ a kladka sú z ocele |
POPIS:
Kompaktný a robustný hriadeľ pre kotúčové píly, pripravený na rýchlu inštaláciu. Vyrobený z hrubostenného liatinového potrubia a vybavený oceľovými ložiskami 2x6207, zaisťuje plynulý chod, dlhú životnosť a spoľahlivé upnutie pílového kotúča. Pravý závit M30×2 umožňuje bezpečné a opakovateľné utiahnutie.
Kľúčové výhody
- Kvalitné ložiskové puzdro pre stabilitu a odolnosť
- Presne vedený hriadeľ pre plynulý a tichý chod
- Pripravené na pohon dvojitým klinovým remeňom (2 × 17 mm)
- Pravý závit M30×2 pre bezpečné upevnenie kotúča
- Jednoduchá montáž a údržba
Typické použitia
Kotúčové píly na palivové drevo, stolové píly, stavebné stroje a ďalšie stacionárne/prenosné pílové zariadenia.












