Νέα προϊόντα
ΑΝΤΑΠΤΟΡΑΣ ΚΑΡΝΤΑΝ ΜΕ ΦΛΑΝΤΖΑ 3 ΟΠΕΣ ΚΑΙ ΠΕΙΡΟ 1-3/8 (80 mm)
Κωδικός προϊόντος:
100109
OEM:
9990000021673
Συντελεστής φόρου
22 %
Τιμή χωρίς ΦΠΑ:
49,18 EUR
Τιμή με ΦΠΑ:
60,00 EUR
Ref:
1
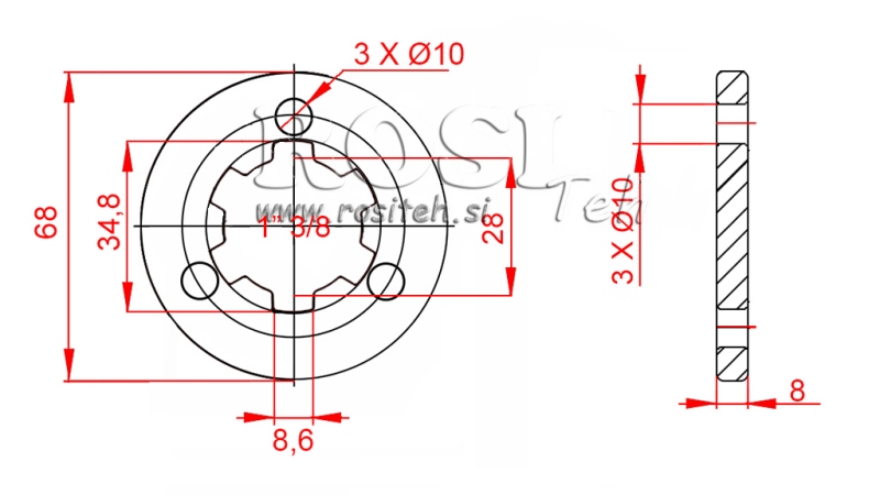
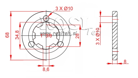
| ΚΩΔΙΚΟΣ | ΕΞΩΤΕΡΙΚΟ ΠΡΟΦΙΛ | ΔΙΑΜΕΤΡΟΣ ΦΛΑΝΤΖΑΣ Ø (mm) | ΣΥΝΟΛΙΚΟ ΜΗΚΟΣ (mm) |
| 100109 | 1" 3/8 | 68 | 80 |
ΠΕΡΙΓΡΑΦΗ
ΑΝΤΑΠΤΟΡΕΣ PTO ΜΕ ΦΛΑΝΤΖΑ ΓΙΑ ΑΝΤΛΙΕΣ είναι σχεδιασμένοι για αξιόπιστη μετάδοση κίνησης υδραυλικών και άλλων αντλιών μέσω του άξονα PTO του τρακτέρ. Παρέχουν άμεση σύνδεση μεταξύ του άξονα και των αντλιών με φλάντζα, με το προφίλ οδόντωσης (αριθμός δοντιών) να εξασφαλίζει ακριβή εφαρμογή και αποδοτική μετάδοση ροπής. Το ενσωματωμένο σύστημα ασφάλισης (πείρος ή μπουλόνι) επιτρέπει ασφαλή στερέωση και αποτρέπει τυχαία αποσύνδεση κατά τη λειτουργία. Η στιβαρή κατασκευή εξασφαλίζει μεγάλη διάρκεια ζωής και αξιόπιστη απόδοση ακόμη και υπό υψηλά φορτία, καθιστώντας τους ιδανικούς για γεωργικές και βιομηχανικές εφαρμογές.






